
厢式、板框式午夜美女福利是悬浮液固、液两相分离的理想设备。该系列午夜美女福利为板框式手动或千斤顶压紧机型。滤板尺寸315mm×280mm 至650mm×650mm,压紧方式:S 为手动螺杆型。J 为手动千斤顶型。机器结构简便,操作易行。该系列午夜美女福利机型较小,压紧、卸料均为手动操作.午夜美女福利有明流,暗流之分,它们各自又有滤饼的可洗式和不可洗式。
该系列午夜美女福利主要规格有: BAMSJ2~6/420-UBK-Ⅰ;
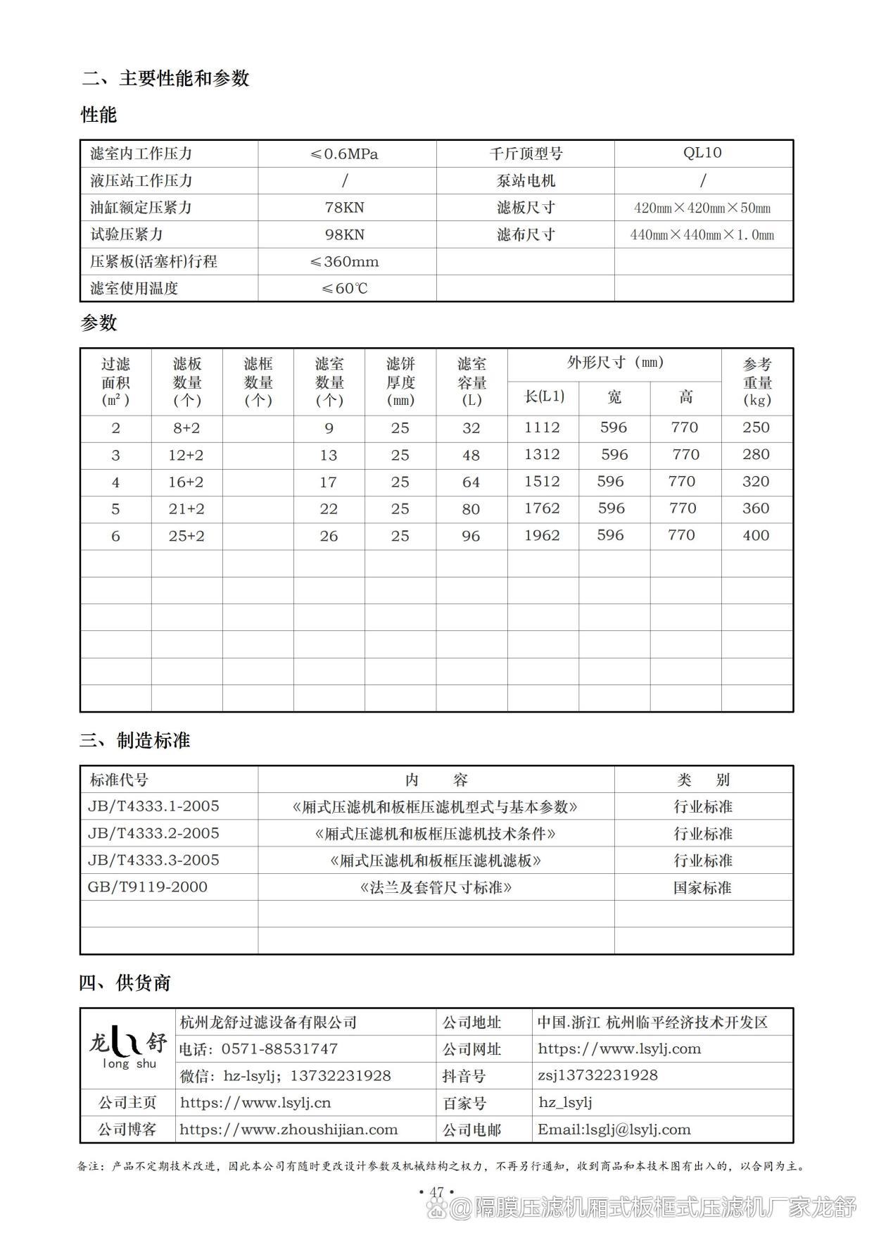
技术性能
过滤压力 | ≤0.6 MPa |
压紧力 | ≤76 KN |
压紧板行程 | ≤260 mm |
使用温度 | ≤100℃ |
主要技术参数
过滤面积 m2 | 滤板数量 (块) | 滤室 数量 (个) | 滤饼 厚度 mm | 滤室 容积 L | 外形尺寸 mm | 机器 质量 t | 进料管孔 直径 mm | 出液孔直径 | |||
滤框 | 滤板 | 长 | 宽 | 高 | |||||||
2 | 9 | 8 | 9 | 30 | 31 | 1497 | 704 | 795 | 0.47 | 25 | 25 |
3 | 13 | 12 | 13 | 45 | 1741 | 0.50 | |||||
4 | 17 | 16 | 17 | 59 | 1985 | 0.54 | |||||
5 | 22 | 21 | 22 | 76 | 2290 | 0.58 | |||||
6 | 26 | 25 | 26 | 90 | 2534 | 0.62 | |||||
基础尺寸
过滤面积(m2) | 尺寸L1(mm) | 过滤面积(m2)m2 | 尺寸L1(mm) |
2 | 1127 | 5 | 1920 |
3 | 1371 | 6 | 2164 |
4 | 1615 |
下面介绍一些BSJ2~6/420 - U系列小型板框午夜美女福利”的资料及相关信息,供你参考。
一、工作原理
压紧过程:滤板以叠合方式放置,通过液压系统压紧板框,形成密封的过滤室。
过滤过程:悬浮液加入过滤室,在压力作用下,液体通过滤布排出,固体颗粒被截留,在滤布上逐渐堆积形成滤饼。
洗涤过程:洗涤液进入过滤室,接触滤饼后排出,可清洗滤饼表面的残留物。
卸料过程:压紧机构松开,通过振动、敲击等方式使滤饼卸下。
二、结构特点
滤板和滤框:通常采用增强聚丙烯等材料模压而成,具有强度高、重量轻、耐腐蚀、耐酸碱、无毒无味等特点。滤板表面有沟槽,用于支撑滤布和排出滤液,滤框和滤板边角上的通孔组装后构成悬浮液、洗涤水的通道和滤液的引出通道。
压紧机构:一般采用液压驱动,通过油缸推动压紧板,使滤板和滤框紧密贴合,提供过滤所需的压力。
过滤介质:通常为滤布,需要具备高强度和良好的透气性,能有效截留固体颗粒,同时允许液体通过。
其他部件:还包括机架部分,用于支撑和固定滤板、滤框等部件;进料系统,用于将待过滤的物料输送到过滤室;控制系统,可实现对整个压滤过程的自动化控制,如压紧、进料、洗涤、卸料等操作的顺序控制和参数调节。




三、 性能参数
过滤面积:小型板框午夜美女福利的过滤面积一般较小,常见的有几平方米到几十平方米不等,可根据实际生产需求选择合适的型号。
过滤压力:一般操作压力在0.3 - 1.6兆帕之间,特殊情况下可达3兆帕或更高,具体压力范围根据设备型号和应用场景有所不同。
滤室容积:决定了每次过滤所能处理的物料量,小型设备的滤室容积通常在几十升到几百升之间。
处理能力:因设备的过滤面积、滤室容积、过滤压力以及物料性质等因素而异,一般适用于小规模生产或实验室使用,处理量相对较小。四、应用领域
化工行业:用于有机酸、碱生产,化纤、玻璃纤维制造,炭黑、钾肥等化工产品加工过程中的固液分离。
冶金行业:在精炼、冶炼过程中,用于铁水、铝水、铜水等悬浮液的过滤,去除杂质。
制药行业:用于药品生产过程中的过滤,确保药品的质量和安全性。
食品行业:可用于乳品、饮料、糖果生产,以及酱油、醋、调味品等食品的过滤,提升食品的口感和品质。
环保领域:在小型污水厂中,用于污泥脱水处理,将污泥含水率降低,便于后续的运输和处理。





本网站上展示的产品仅用于工业上的污水固、液分离,由于产品的专业性和专用性,每件商品的具体性能和使用方法均不尽相同,页面上的描述仅供参考,并不适用于每个具体商品,您在决定购买之前,务必事前(老板电话13732231928)沟通。谢谢您的理解和支持!(本站仅用于产品展示,不接受线上交易)

